Ningbo Richge Technology Co., Ltd.
Ningbo Richge Technology Co., Ltd.
Tuotteet
VBI-24 kiinteä tyyppinen eristyssylinteri MV tyhjiökatkaisija
  • VBI-24 kiinteä tyyppinen eristyssylinteri MV tyhjiökatkaisijaVBI-24 kiinteä tyyppinen eristyssylinteri MV tyhjiökatkaisija
  • VBI-24 kiinteä tyyppinen eristyssylinteri MV tyhjiökatkaisijaVBI-24 kiinteä tyyppinen eristyssylinteri MV tyhjiökatkaisija

VBI-24 kiinteä tyyppinen eristyssylinteri MV tyhjiökatkaisija

Model:VBI-24
VBI -sarjan sisäympäristövälittäjä on uusi sukupolvi älykkäitä tyhjiökatkaisimia. Sen elävät komponentit, mukaan lukien korkean suorituskyvyn tyhjiökatkaisteri ja ylempi ja alempi lähtevät liittimet, on kapseloitu epoksihartsin jälkeisiin päätelaitteisiin. Tämä malli auttaa estämään saastumisen tyhjiökatkaisimen pinnalla, mikä parantaa sen eristysominaisuuksia, mekaanista stabiilisuutta ja pidentää sen käyttöikäistä. VBI-24-sivulle asennetun tyyppisen tyhjiöpiiri-dekantterilasterin toimintamekanismia käytetään jousen energiaan, jota voidaan käyttää kahdella tavalla, manuaalisesti tai sähköisesti. Ominaisuudet ovat GB1984-89: n, JB3855-96: n mukaisia, JB3855-96<10kv Indoor High Voltage Vacuum Circuit Breaker General Technical Specifications>, IEC56 -standardin asiaankuuluvat säännökset. VBI-24-sisätilojen korkeajännitteen tyhjiökatkaisija on kolmivaiheinen AC 50Hz , 24 kV: n sisälaitteiden nimellisjännite , teollisuus- ja kaivosyrityksille, voimalaitoksille ja sähköasemille sähkölaitteiden hallinta- ja suojaustarkoituksiin sekä paikan usein.

VBI-24 kiinteä tyyppinen eristyssylinteri MV tyhjiökatkaisija

   Sisäisimuotoisten pylväiden VBI-24-sarjan sisätilojen korkeajännitteen tyhjiökatkaisija on kolme ilmausta A.C.50 Hz Sisätehon jakeluvälineet, joiden nimellisjännite on 24 kV.Sit, joita käytetään sähkölaitteiden suojaamiseen ja hallintaan teollisuuden ja kaivostoiminnan pelloilla, voimalaitoksissa ja subtrationissa.

   Tämän tyyppisen tyhjiön katkaisijan pääjohtaja, jousimekanismilla on upotettu napa, joka voi parantaa huomattavasti eristyksen, mekaanisen ja rikkoutumisen luotettavuutta ja todella hyödyntää vapaan ylläpidon ja pidemmän mekaanisen ja sähköisen käyttöiän. Tämä tyyppinen tyhjiökatkaisija vastaa kansallisia standardeja ja IEC-standardin määrää. Kyky saavuttaa M-E2-C2: n luokan.

   Tuotetta käytetään monenlaisissa kytkentälaitteissa, kuten KYN28-24 (GZS1), ja se voidaan kiinteä asennus.

  VBI-24-sisätilojen korkeajännitteen tyhjiökatkaisija on kolmivaiheinen AC 50Hz , 24 kV: n sisälaitteiden nimellisjännite , teollisuus- ja kaivosyrityksille, voimalaitoksille ja sähköasemille sähkölaitteiden hallinta- ja suojaustarkoituksiin sekä paikan usein.







Perustiedot.


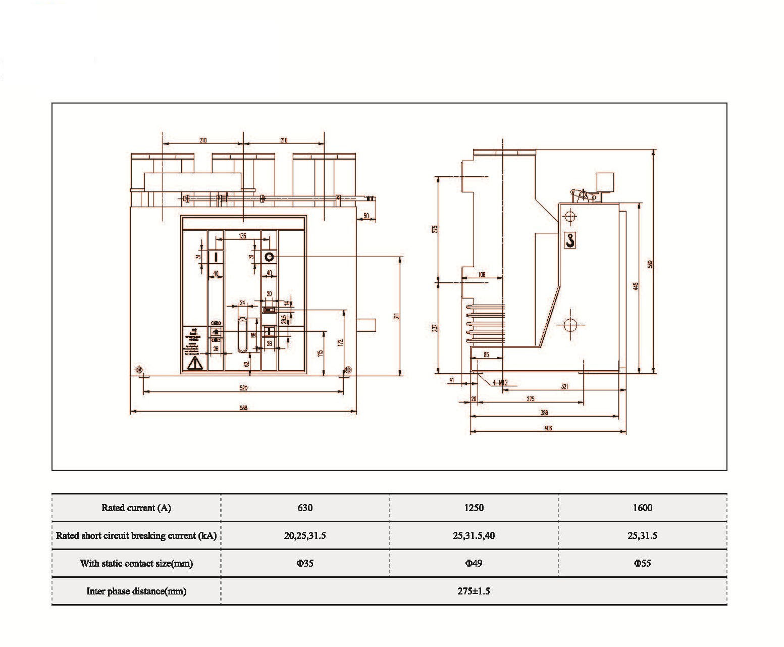
Tekniset parametrit




Tekniset piirustukset

Faq

K: Voinko saada tuotteidesi hinnat?

V: Tervetuloa. Voit vapaasti lähettää meille kyselyä täältä. Vastaamme sinulle 24 tunnin sisällä.


K: Voinko saada näytteen ennen irtotavaraa?

V: Kyllä, olemme tervetulleita näytetilauksiin testata ja tarkistaa laadun. Sekoitetut näytteet ovat hyväksyttäviä.


K: Voimmeko tulostaa logon/ yrityksen nimemme tuotteisiin?

V: Kyllä, tietysti hyväksymme OEM: n, tarvitsemme sitten sinulle tuotemerkin valtuutuksen


K: Hyväksytkö tuotteiden mukauttamisen?

V: Kyllä, tietysti, anna erityiset piirustukset tai parametrit, lainamme sinua arvioinnin jälkeen


K: Mikä on läpimenoaika?

V: Laitosaika riippuu tilatuista määristä, yleensä 7-20 päivän kuluessa maksun vastaanottamisesta.


K: Mikä on kauppaehdot?

V: Hyväksymme EXW, FOB, CIF, FCA jne.


K: Mikä on maksutapa?  

V: Hyväksymme T/T, Western Union, PayPal, peruuttamaton L/C näkyvissä jne.


K: Tarkastatko valmiita tuotteita?

V: Kyllä, QC -osasto tarkastaa jokaisen tuotanto- ja valmiiden tuotteiden vaiheen ennen lähettämistä. Ja toimitamme tavaroiden tarkastusraportit viitteestäsi ennen lähetystä


K: Kuinka ratkaista laatuongelmat myynnin jälkeen?

V: Ota valokuvia laatuongelmista ja lähetä meille tarkistuksemme ja vahvistamisen vuoksi, teemme sinulle tyytyväisen ratkaisun 3 päivän kuluessa.




Tehdas


Todistus




Hot Tags: VBI-24: n kiinteä tyyppinen eristyssylinteri MV VacUum Circrain, Kiina, valmistaja, toimittaja, tehdas, alhainen hinta, laatu, uusin myynti, edistynyt
Lähetä kysely
Yhteystiedot
Pienjännitekojeistoa, suurjänniteeristettä, suurjännitemaadoituskytkintä tai hinnastoa koskevat tiedustelut jätä meille sähköpostisi, niin olemme sinuun yhteydessä 24 tunnin sisällä.
X
Käytämme evästeitä tarjotaksemme sinulle paremman selauskokemuksen, analysoidaksemme sivuston liikennettä ja mukauttaaksemme sisältöä. Käyttämällä tätä sivustoa hyväksyt evästeiden käytön. Tietosuojakäytäntö
Hylätä Hyväksyä