Ningbo Richge Technology Co., Ltd.
Ningbo Richge Technology Co., Ltd.
Tuotteet
Zn12-12-sarjan integroitu pylväskytkin tyhjiökatkaisinta
  • Zn12-12-sarjan integroitu pylväskytkin tyhjiökatkaisintaZn12-12-sarjan integroitu pylväskytkin tyhjiökatkaisinta
  • Zn12-12-sarjan integroitu pylväskytkin tyhjiökatkaisintaZn12-12-sarjan integroitu pylväskytkin tyhjiökatkaisinta

Zn12-12-sarjan integroitu pylväskytkin tyhjiökatkaisinta

Model:ZN12-12
Zn12-12-sarja AC HV-tyhjiökatkaisija on kolmen vaiheen AC 50Hz: n sisävaruste, nimellisjännite 12 kV, joka esitteli tekniikan saksalaiselta yritykseltä. Se sopii alueelle, jossa on kaikenlaista kuormitusta ja usein toimintaa, ja sitä voidaan käyttää teollisuuden ja kaivostoiminnan, yrityksen, voimalaitoksen ja sähköaseman sähköisten tilojen suojaamiseen ja hallintaan. Tämä tuote on GB1984: n, JB3855: n, DL403: n ja IEC: n standardien aiheuttamien vaatimusten mukainen.

Zn12-12-sarjan integroitu pylväskytkin tyhjiökatkaisinta

  Zn12-12 Sisätilojen korkeajännitteen tyhjiön katkaisija, jonka arvo 12 kV: n ja seuraavan sisätilojen korkeajännitekytkimen kytkentälaitteet, asennettu pääasiassa kiinteään kytkinlaitteisiin, teollisuus- ja kaivosyrityksille, voimalaitoksille ja sähköasemille sähköisten laitosten suojelemiseksi ja paikannuksen käyttämiseksi ja paikan yleistä toiminnasta!

  Zn12-sarjan tyhjiökatkaisijat ovat sisätiloissa korkeajännitekytkinlaitteita, joiden nimellisjännitteet ovat 12 kV, 24 kV ja 40,5 kV ja kolmivaiheinen AC 50Hz. Se on kotimainen tuote, joka on kehitetty ottamalla käyttöön saksalaiset Siemens 3AF -teknologia. Katkaisijan toimintamekanismi on jousienergian varastointityyppi, jota voidaan käyttää AC: n tai DC: n tai manuaalisesti. Katkaisijalla on yksinkertainen rakenne, vahva murtokyky, pitkä käyttöikä ja täydelliset käyttötoiminnot. Ja räjähdyksen vaaraa ei ole, ja huolto on yksinkertaista. Se soveltuu voimansiirto- ja jakelujärjestelmien, kuten voimalaitosten, sähköasemien ja teollisuus- ja kaivosyritysten, ohjaus- tai suojakytkimeen, erityisesti sopivat tärkeiden kuormitusten ja usein toimivien toimintapaikkojen rikkomiseen. Kytkinkaapin katkaisijan asennusmuoto voi olla joko kiinteä tyyppi tai poistettava tyyppinen katkaisija. Tämä tuote noudattaa asiaankuuluvia standardeja, kuten GB1984, JB3855 ja IEC62271-100 “Korkeajännite AC-katkaisija”.


Edut:

1.Tuoli katkaisija läpäisi konekaministeriön ja sähkövoimin ministeriön arvioinnin elokuussa 96., mikä tarkoittaa, että laatu on ehdottomasti taattu.

Katkaisijamekanismi on integroitu kytkimeen, ja erityistä jousenergian varastointityyppisiä toimilaitteiden mekanismia voidaan käyttää AC- ja DC -energian varastointia tai manuaalisesti.

Yksinkertaisella rakenteella, voimakkaalla murtumiskapasiteetilla, pitkällä käyttöikällä, täydellisillä käyttötoiminnoilla, ilman räjähdysvaaraa ja helppoa ylläpitoa, tämä katkaisija soveltuu voimansiirto- ja jakelujärjestelmän, kuten voimalaitoksen, kaupungin voimansiirto-, sähköaseman jne. Ohjauskytkimeen tai suojaamiseen. Se soveltuu erityisesti tärkeiden kuormitusten ja paikkojen rikkomiseen, joilla on usein toiminto.


Ominaisuudet:

1. Kaaren sammutuskammion murtokyky on korkea, nykyinen kantokyky on alhainen ja sähköinen käyttöikä on pitkä.

2. Asettelu on edestä toiseen, yksinkertainen ja kompakti rakenne, täydellinen käyttö ja helppo huolto.

3. Rakennetta ja asennusta varten ne voidaan jakaa: vaakasuoraan kiinteään tyyppiin, kaltevaan kiinteään tyyppiin, keskimmäiseen asetettuun siirrettävään tyyppiin.






Perustiedot.



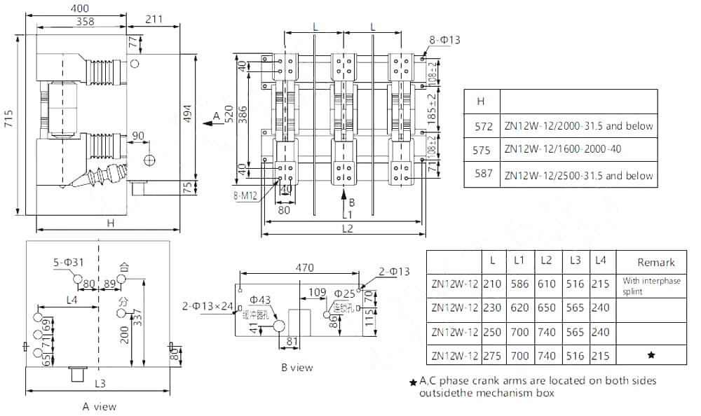
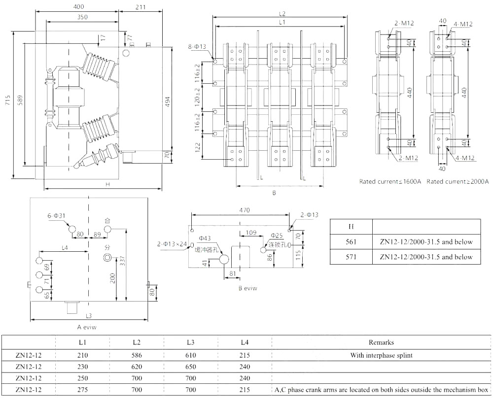
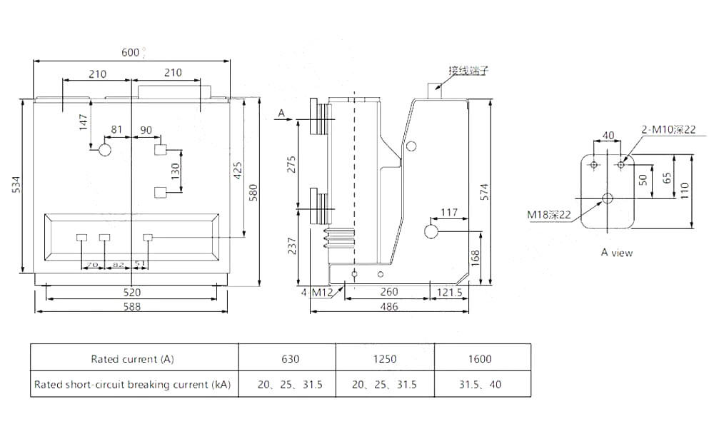
Tekniset parametrit



Tekniset piirustukset


Zn12-12: n integroidun pylväskytkimen tyhjiökatkaisimen käyttöolosuhteet1. Korkeus: ≤1000 m; (Prototyypin korkeus voi saavuttaa alle 4000 metriä)

2. Ympäristön lämpötila: korkein +40 ° C, alin -25 ° C;

3. Suhteellinen kosteus: päivittäinen keskiarvo enintään 95%, kuukausittainen keskimäärin enintään 90%;

4. Maanjäristyksen voimakkuus: alle 8;

5. Asennusympäristö: Ei tulipaloa, räjähdysvaaraa, ei syövyttävää kaasua eikä väkivaltaista tärinäpaikkaa.

6. Ota yhteyttä tyhjiökatkaisijan valmistajaan, jos käyttöympäristö ylittää yllä.




Faq

K: Voinko saada tuotteidesi hinnat?

V: Tervetuloa. Voit vapaasti lähettää meille kyselyä täältä. Vastaamme sinulle 24 tunnin sisällä.


K: Voinko saada näytteen ennen irtotavaraa?

V: Kyllä, olemme tervetulleita näytetilauksiin testata ja tarkistaa laadun. Sekoitetut näytteet ovat hyväksyttäviä.


K: Voimmeko tulostaa logon/ yrityksen nimemme tuotteisiin?

V: Kyllä, tietysti hyväksymme OEM: n, tarvitsemme sitten sinulle tuotemerkin valtuutuksen


K: Hyväksytkö tuotteiden mukauttamisen?

V: Kyllä, tietysti, anna erityiset piirustukset tai parametrit, lainamme sinua arvioinnin jälkeen


K: Mikä on läpimenoaika?

V: Laitosaika riippuu tilatuista määristä, yleensä 7-20 päivän kuluessa maksun vastaanottamisesta.


K: Mikä on kauppaehdot?

V: Hyväksymme EXW, FOB, CIF, FCA jne.


K: Mikä on maksutapa?  

V: Hyväksymme T/T, Western Union, PayPal, peruuttamaton L/C näkyvissä jne.


K: Tarkastatko valmiita tuotteita?

V: Kyllä, QC -osasto tarkastaa jokaisen tuotanto- ja valmiiden tuotteiden vaiheen ennen lähettämistä. Ja toimitamme tavaroiden tarkastusraportit viitteestäsi ennen lähetystä


K: Kuinka ratkaista laatuongelmat myynnin jälkeen?

V: Ota valokuvia laatuongelmista ja lähetä meille tarkistuksemme ja vahvistamisen vuoksi, teemme sinulle tyytyväisen ratkaisun 3 päivän kuluessa.




Tehdas


Todistus




Hot Tags: Zn12-12-sarjan integroitu pylväskytkin tyhjiökatkaisinta, Kiina, valmistaja, toimittaja, tehdas, alhainen hinta, laatu, uusin myynti, edistynyt
Lähetä kysely
Yhteystiedot
Pienjännitekojeistoa, suurjänniteeristettä, suurjännitemaadoituskytkintä tai hinnastoa koskevat tiedustelut jätä meille sähköpostisi, niin olemme sinuun yhteydessä 24 tunnin sisällä.
X
We use cookies to offer you a better browsing experience, analyze site traffic and personalize content. By using this site, you agree to our use of cookies. Privacy Policy
Reject Accept